Soloon Controls (Pekin) Co., Ltd. +86 10 67863711
soloon-logoa
soloon-logoa
Jarri gurekin harremanetan
S6025 Fluidoen Maila Etengailua

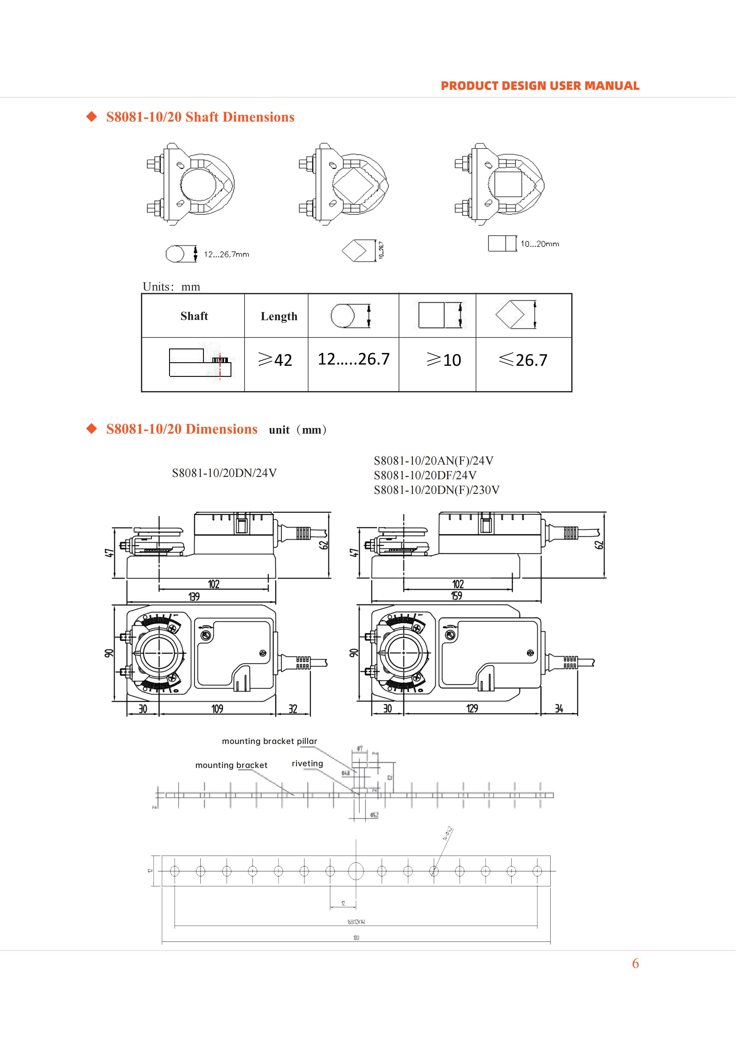
S8081 seriea 10/20A-ko Estandar Iragazki-eragilea

HVAC sistemetako aire-itzalgailuetarako bereziki diseinatutako motelgailuaren eragingailua.

 

S8081 seriea 10/20A-ko Estandar Iragazki-eragilea
英文版-常规产品手册_更改图版RH_13
英文版-常规产品手册_更改图版RH_14

Jarri gurekin harremanetan Produktuaren kontsulta
Jarri gurekin harremanetan
Gure produktuetan interesa baduzu.
Mesedez, bete formularioa etaJarri gurekin harremanetan.
+86 10 67863711